欢迎来到上海微敏自控技术有限公司官网!
GV228/EV:带8个输出、用于增量式编码器的可扩展脉冲分配器
  • 名称: 增量式编码器可扩展信号分配器
  • 编号: GV228/EV
  • 品牌: motrona
立即咨询

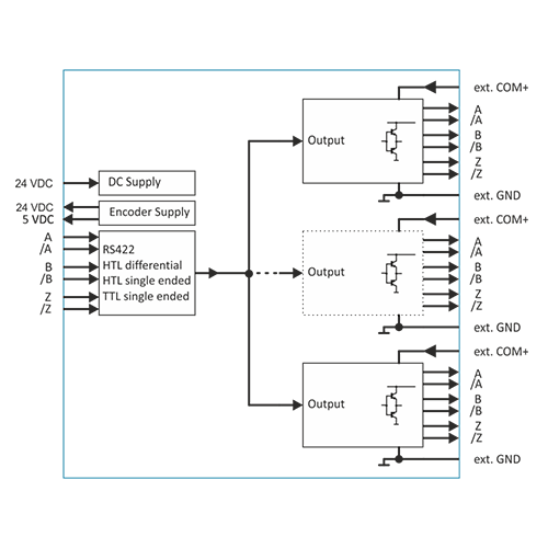
GV228/EV是一款快速、准确和可扩展的脉冲分配器,具有1个脉冲输入和8个脉冲输出。

该系列的特点是模块化设计,可以通过总线连接器来快速便捷地扩展输出。

GV228/EV可选配两款扩展模块:EV224可扩展到12个输出,EV228可扩展到16个输出。

此外,对于GT系列,还提供了一款隔离输入和输出的型号。



  • 1 个脉冲输入,形式为 ABZ[HTL] A/AB/BZ/Z[RS422]

  • 输入频率高达 500 kHzHTL)或 1 MHzRS422/TTL

  • 8 个脉冲输出,形式与输入信号的形式相对应,但每个输出都可以独立分配输出电平

  • 总线接口能够快速便捷地扩展输出数量

  • 电源为 1030 VDC

  • 信号延迟时间 160 ns

  • RS422/TTL 信号输入电平的差分电压 >0.5 V

  • HTL 差分信号输入电平的差分电压 >2 V

  • HTL 单端信号输入低电平为:06 V,高电平为:840 V

  • TTL 信号输入电平(单端):低电平 <0.8 V,高电平 >2.0 V

  • 紧凑型外壳,可安装于 35 mm 顶帽式导轨(根据EN 60715标准)

  • 尺寸:宽 x x = 54 x 118 x 140 mm2.13 x 4.65 x 5.51 英寸)

     




展开