欢迎来到上海微敏自控技术有限公司官网!
GT222:带2个输出、有电位隔离的增量式编码器信号分配器
  • 名称:GT222 带2个输出、有电位隔离的增量式编码器信号分配器
  • 编号:GT222
  • 品牌:motrona
立即咨询

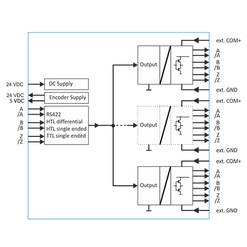
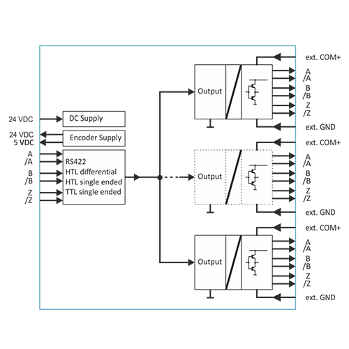
这款脉冲分配器具有快速、精确的特点。具有1个脉冲输入和2个脉冲输出。

提供了2个(GT222)、4个(GT224)和8个(GT228)输出标配可选。

该系列具有下列特点:模块化设计,易于扩展4个或8个额外输出(GT228/ET),以及无电位隔离的可选项(GV222)。

 

  • 1 个脉冲输入,形式为 ABZ[HTL] A/AB/BZ/Z[RS422]

  • 输入频率高达 500 kHzHTL)或 1 MHzRS422/TTL

  • 2 个脉冲输出,形式与输入信号的形式相对应,但每个输出都可以独立分配输出电平

  • 总线接口能够快速便捷地扩展输出数量

  • 电源为 1030 VDC

  • 信号延迟时间 160 ns

  • RS422/TTL 信号输入电平的差分电压 >0.5 V

  • HTL 差分信号输入电平的差分电压 >2 V

  • HTL 单端信号输入低电平为:06 V,高电平为:840 V




展开