Nanomotion的XCD板是一种OEM放大器和控制板,该板级产品用一个单独的运动控制器取代了传统的放大器,并作为一个独立的驱动器和控制装置。
XCD Edge是一种单轴配置,旨在支持Nanomotion的低压电机,一个轴上最多有(4)个Edge电机或(1)个Edge-4X电机。
XCD-HR或-SE是一种单轴配置,旨在支持Nanomotion的高压电机,轴上最多可安装16个HR或SE元件。
XCD通过IIC通信编程,可以与Nanomotion的纳米控制器固件连接,接受正交编码器输入。
XCD-HR | XCD-EDGE | |
控制轴数 | 单轴 | 单轴 |
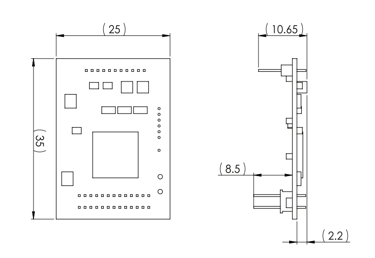
外形尺寸(mm) | 52x72x26.4 | 35x25x10.65 |
适用电机类型 | HR系列电机 | EDGE系列电机 |
输入电压 | 12V(HR1/2/4) 24V(HR4/8) | 5V |
功耗 | 7.5W(HR1) 15W(HR2) 30W(HR4) 60W(HR8) 120W(16) | 2W(最大) |
驱动模式 | AB1A模式、AB5模式(制动开/关模式) | |
通讯方式 | IIC、UART、SPI | |
工作温度 | 0 – 50℃ | 0 – 70℃ |

订货信息: 型号: XCD-EDGE-BD-XX XCD-HRx-BD-01-1 适用EDGE电机型号: EM1-S-0、EM1-V-0、EDGE EDGE主板部件型号: XCDE150100-00 XCD 应用范围: • 自动对焦/变焦模块 • 快门和光圈控制 • 滤光片转换器 • 平移以及倾斜模块 |