欢迎来到上海微敏自控技术有限公司官网!
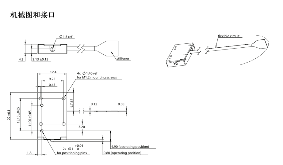
电机EDGE-4X
  • 名称:电机EDGE-4X
  • 编号:EDGE-4X
  • 品牌:Nanomotion
立即咨询

EDGE-4X电机体积小,适用于无限的直线和旋转运动。EDGE-4X提供1.3N的最大推力,最大速度可达200mm/sec。

EDGE-4X可简单匹配多种轴承结构,广泛应用于国防光电、医疗和半导体市场,为其提供高分辨率运动控制。



EDGE-4X 电机特点:

•体积小

•宽动态速度范围

•零背隙

•断电时保持位置

•静音操作

•几乎没有EMI(电磁干扰)

•无磁电机

•可配合步进电机

技术规格:

机械 :

重量/质量:2.2 g

外形尺寸:22.8 x 12.4 x 4.3 mm

动力 :

驱动推力(最大):1.3N

度(最大):200mm/sec

环境 :

工作温度:-40至80ºC

振动:10g rms

冲击:350g, 0.8ms 正弦半波

电气特性:

电机电压(最大值):14VAC

电机电流(最大值):250mA AC

5V DC驱动电路可用


订货信息:

型号:EM4X-S-1-0 EDGE-4X标准电机

型号:EM4X-V-1-0 EDGE-4X真空电机


相关产品/配件:

单EDGE-4X电机的控制/驱动器型号:XCD-E4X-BD1-01

并联双EDGE-4X电机的控制/驱动器型号:XCD-E4X-BD2-01







推荐应用:

EDGE-4X电机扩展了Nanomotion压电陶瓷电机的低电压产品线。EDGE-4X电机具有Edge电机4倍的力量,可在无限行程的直线或旋转应用中提供最大1.3N的推力。基于对尺寸、重量和力量的持续优化,EDGE-4X非常适用于:

•自动对焦和变焦需求

•平移及倾斜云台驱动

•光学图像防抖模块

展开